2024 Ford Transit-150 Service and Repair Manual
Highlights
Online service and repair manual for the 2024 Ford Transit-150
Information based on factory service and repair materials
Access from anywhere using your PC or mobile device
100% money-back satisfaction guarantee
The convenient, cloud-based 2024 Ford Transit-150 service and repair manual
The 2024 Ford Transit-150 service and repair manual from Repair Surge is the ultimate reference guide. It provides accurate, reliable information based on the original service materials from the manufacturer. You'll get procedures, specifications, part numbers, illustrations, wiring diagrams, and more. Whether you're an industry professional or a DIY mechanic, it's the perfect addition to any toolbox.
Covers the following trim packages for the 2024 Transit-150:
Base, 3.5L V6 (VIN 8, 998) Flex Fuel
Base, 3.5L V6 (VIN G, 99G) Turbocharged Gas
PTV, 3.5L V6 (VIN 8, 998) Flex Fuel
PTV, 3.5L V6 (VIN G, 99G) Turbocharged Gas
Everything you need for a successful repair
Service and Repair Procedures
Specifications
Parts Numbers and Illustrations
Component Locations
Fluids and Lubricants
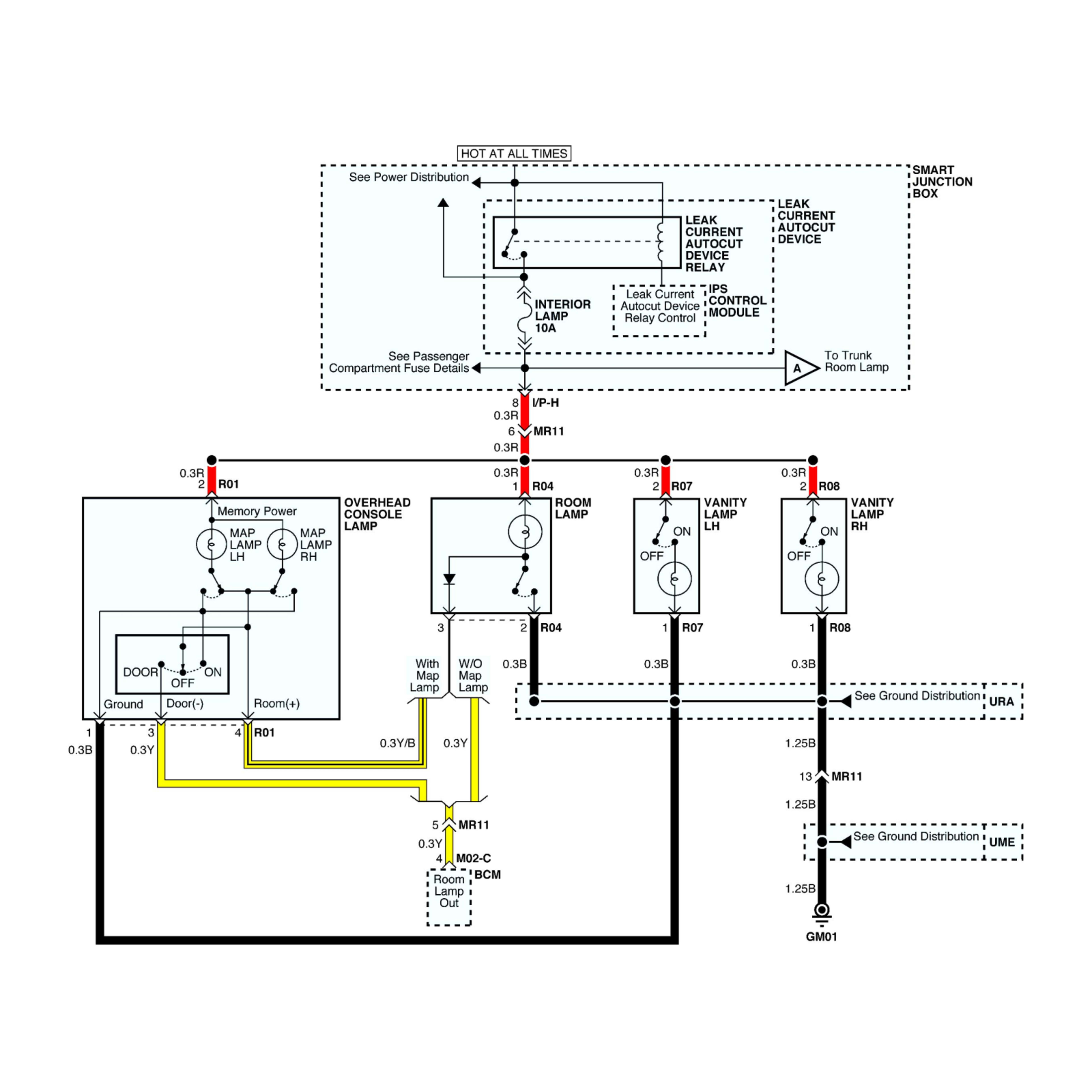
Wiring Diagrams
Technical Service Bulletins
Vehicle and Equipment Recalls
Maintenance Schedules
Diagnostics and Troubleshooting
Safety Precautions
Fast, Friendly Support

