2024 Ford Expedition Service and Repair Manual
Highlights
Online service and repair manual for the 2024 Ford Expedition
Information based on factory service and repair materials
Access from anywhere using your PC or mobile device
100% money-back satisfaction guarantee
The convenient, cloud-based 2024 Ford Expedition service and repair manual
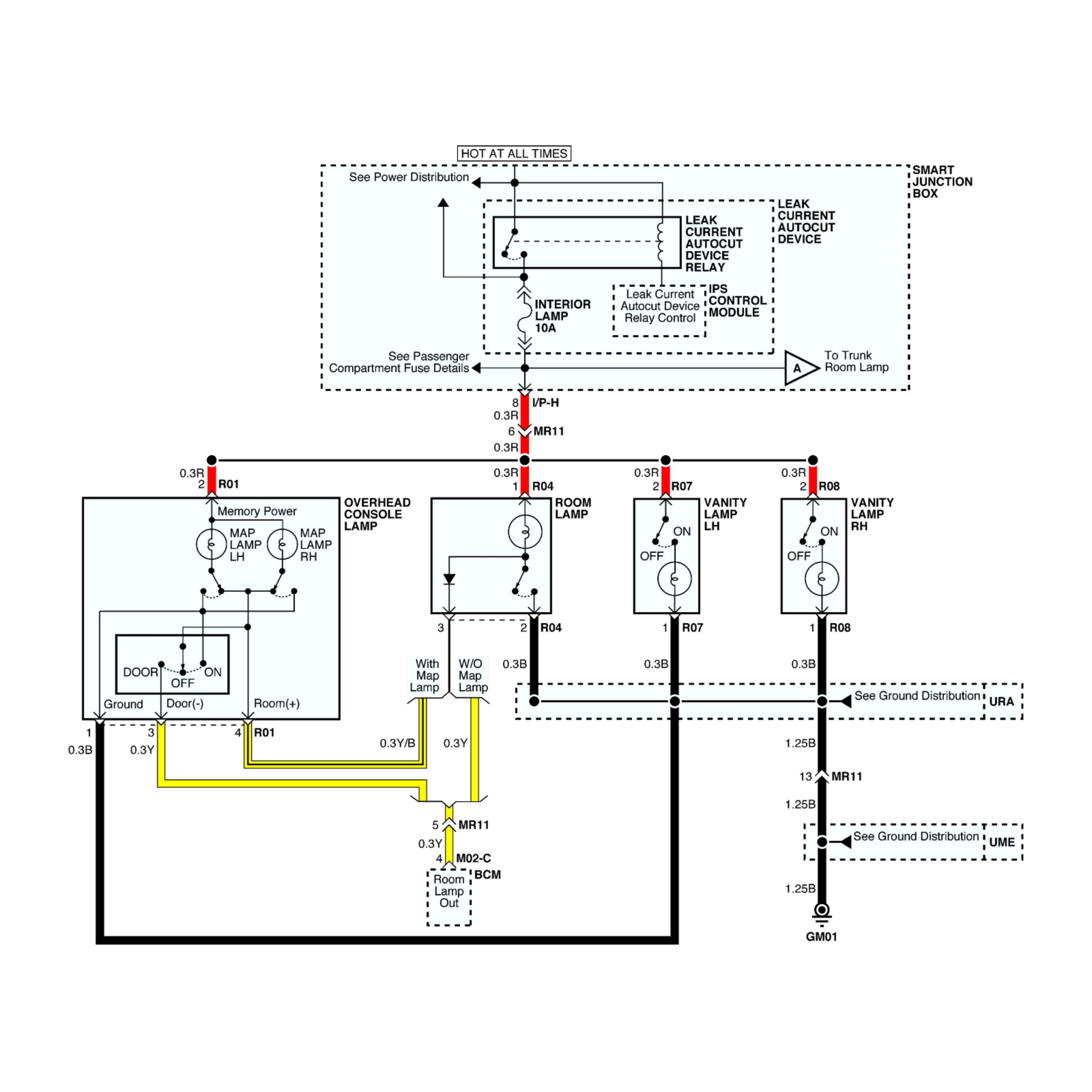
The 2024 Ford Expedition service and repair manual from Repair Surge is the ultimate reference guide. It provides accurate, reliable information based on the original service materials from the manufacturer. You'll get procedures, specifications, part numbers, illustrations, wiring diagrams, and more. Whether you're an industry professional or a DIY mechanic, it's the perfect addition to any toolbox.
Covers the following trim packages for the 2024 Expedition:
King Ranch, 3.5L V6 (VIN T) Turbocharged Gas
Limited, 3.5L V6 (VIN G) Turbocharged Gas
Limited, 3.5L V6 (VIN T) Turbocharged Gas
Max King Ranch, 3.5L V6 (VIN 8, 998) Turbocharged Gas
Max Limited, 3.5L V6 (VIN T) Turbocharged Gas
Max Platinum, 3.5L V6 (VIN 8, 998) Turbocharged Gas
Max SSV, 3.5L V6 (VIN T) Turbocharged Gas
Max XLT, 3.5L V6 (VIN 8, 998) Turbocharged Flex Fuel
Max XLT, 3.5L V6 (VIN 8, 998) Turbocharged Gas
Max XLT, 3.5L V6 (VIN T) Turbocharged Gas
Platinum, 3.5L V6 (VIN 8, 998) Turbocharged Gas
SSV, 3.5L V6 (VIN T) Turbocharged Gas
Timberline, 3.5L V6 (VIN G) Turbocharged Gas
XL STX, 3.5L V6 (VIN T) Turbocharged Gas
XLT, 3.5L V6 (VIN 8, 998) Turbocharged Flex Fuel
XLT, 3.5L V6 (VIN 8, 998) Turbocharged Gas
XLT, 3.5L V6 (VIN T) Turbocharged Gas
Everything you need for a successful repair
Service and Repair Procedures
Specifications
Parts Numbers and Illustrations
Component Locations
Fluids and Lubricants
Wiring Diagrams
Technical Service Bulletins
Vehicle and Equipment Recalls
Maintenance Schedules
Diagnostics and Troubleshooting
Safety Precautions
Fast, Friendly Support

