1992 Chevrolet C2500 Service and Repair Manual
Highlights
Online service and repair manual for the 1992 Chevrolet C2500
Information based on factory service and repair materials
Access from anywhere using your PC or mobile device
100% money-back satisfaction guarantee
The convenient, cloud-based 1992 Chevrolet C2500 service and repair manual
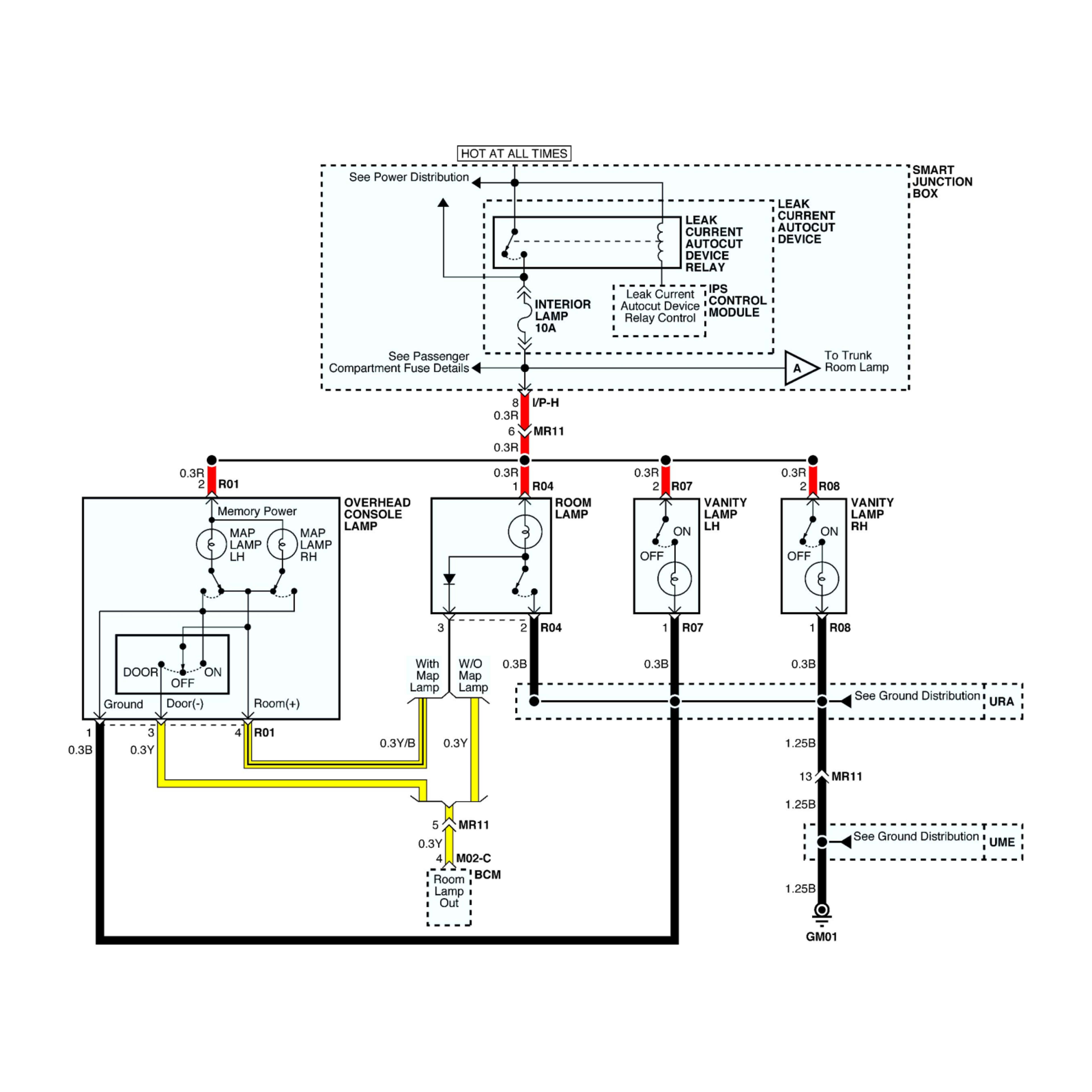
The 1992 Chevrolet C2500 service and repair manual from Repair Surge is the ultimate reference guide. It provides accurate, reliable information based on the original service materials from the manufacturer. You'll get procedures, specifications, part numbers, illustrations, wiring diagrams, and more. Whether you're an industry professional or a DIY mechanic, it's the perfect addition to any toolbox.
Covers the following trim packages for the 1992 C2500:
Cheyenne, 4.3L V6 (VIN Z, LB4) Gas
Cheyenne, 5.0L V8 (VIN H, L03) Gas
Cheyenne, 5.7L V8 (VIN K) Gas
Cheyenne, 6.2L V8 (VIN C) Diesel
Cheyenne, 6.2L V8 (VIN J) Diesel
Cheyenne, 6.5L V8 (VIN F, L65) Turbocharged Diesel
Cheyenne, 7.4L V8 (VIN N, L19) Gas
Scottsdale, 4.3L V6 (VIN Z, LB4) Gas
Scottsdale, 5.0L V8 (VIN H, L03) Gas
Scottsdale, 5.7L V8 (VIN K) Gas
Scottsdale, 6.2L V8 (VIN C) Diesel
Scottsdale, 6.2L V8 (VIN J) Diesel
Scottsdale, 7.4L V8 (VIN N, L19) Gas
Silverado, 4.3L V6 (VIN Z, LB4) Gas
Silverado, 5.0L V8 (VIN H, L03) Gas
Silverado, 5.7L V8 (VIN K) Gas
Silverado, 6.2L V8 (VIN C) Diesel
Silverado, 6.2L V8 (VIN J) Diesel
Silverado, 6.5L V8 (VIN F, L65) Turbocharged Diesel
Silverado, 7.4L V8 (VIN N, L19) Gas
Everything you need for a successful repair
Service and Repair Procedures
Specifications
Parts Numbers and Illustrations
Component Locations
Fluids and Lubricants
Wiring Diagrams
Technical Service Bulletins
Vehicle and Equipment Recalls
Maintenance Schedules
Diagnostics and Troubleshooting
Safety Precautions
Fast, Friendly Support

