2023 Jaguar F-Pace Service and Repair Manual

2023 Jaguar F-Pace service and repair manual hero image2023 Jaguar F-Pace part numbers and diagrams example2023 Jaguar F-Pace wiring diagrams example
2023 Jaguar F-Pace service and repair manual hero image thumbnail
2023 Jaguar F-Pace part numbers and diagrams example thumbnail
2023 Jaguar F-Pace wiring diagrams example thumbnail

Highlights

Online service and repair manual for the 2023 Jaguar F-Pace


Information based on factory service and repair materials


Access from anywhere using your PC or mobile device


100% money-back satisfaction guarantee

$29

Instant Access

Ongoing Updates

Satisfaction Guaranteed

The convenient, cloud-based 2023 Jaguar F-Pace service and repair manual

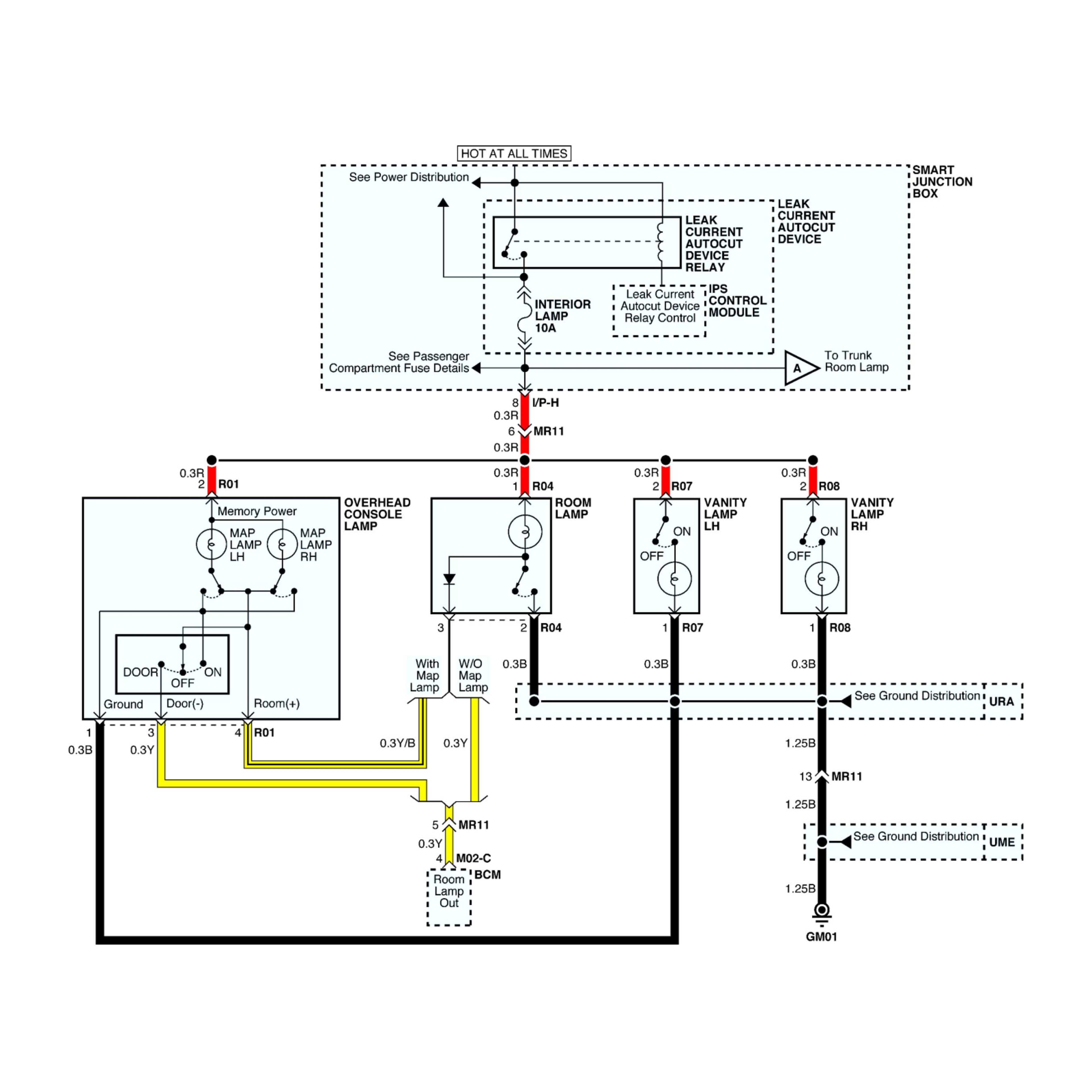
The 2023 Jaguar F-Pace service and repair manual from Repair Surge is the ultimate reference guide. It provides accurate, reliable information based on the original service materials from the manufacturer. You'll get procedures, specifications, part numbers, illustrations, wiring diagrams, and more. Whether you're an industry professional or a DIY mechanic, it's the perfect addition to any toolbox.

Covers the following trim packages for the 2023 F-Pace:

  • Base, 2.0L L4 (VIN X, AJ20P) Turbocharged Gas

  • R-Dynamic S, 3.0L L6 (VIN U) Turbo/Supercharged Mild Hybrid EV-Gas (MHEV)

  • S, 2.0L L4 (VIN X, AJ20P) Turbocharged Gas

  • SVR, 5.0L V8 (VIN E) Supercharged Gas

Everything you need for a successful repair

Service and Repair Procedures icon

Service and Repair Procedures

Specifications icon

Specifications

Parts Numbers and Illustrations icon

Parts Numbers and Illustrations

Component Locations icon

Component Locations

Fluids and Lubricants icon

Fluids and Lubricants

Wiring Diagrams icon

Wiring Diagrams

Technical Service Bulletins icon

Technical Service Bulletins

Vehicle and Equipment Recalls icon

Vehicle and Equipment Recalls

Maintenance Schedules icon

Maintenance Schedules

Diagnostics and Troubleshooting icon

Diagnostics and Troubleshooting

Safety Precautions icon

Safety Precautions

Fast, Friendly Support icon

Fast, Friendly Support

Other Jaguar F-Pace Years

2024 Jaguar F-Pace Manual