2025 Honda Odyssey Service and Repair Manual

2025 Honda Odyssey service and repair manual hero image2025 Honda Odyssey part numbers and diagrams example2025 Honda Odyssey wiring diagrams example
2025 Honda Odyssey service and repair manual hero image thumbnail
2025 Honda Odyssey part numbers and diagrams example thumbnail
2025 Honda Odyssey wiring diagrams example thumbnail

Highlights

Online service and repair manual for the 2025 Honda Odyssey


Information based on factory service and repair materials


Access from anywhere using your PC or mobile device


100% money-back satisfaction guarantee

$29

Instant Access

Ongoing Updates

Satisfaction Guaranteed

The convenient, cloud-based 2025 Honda Odyssey service and repair manual

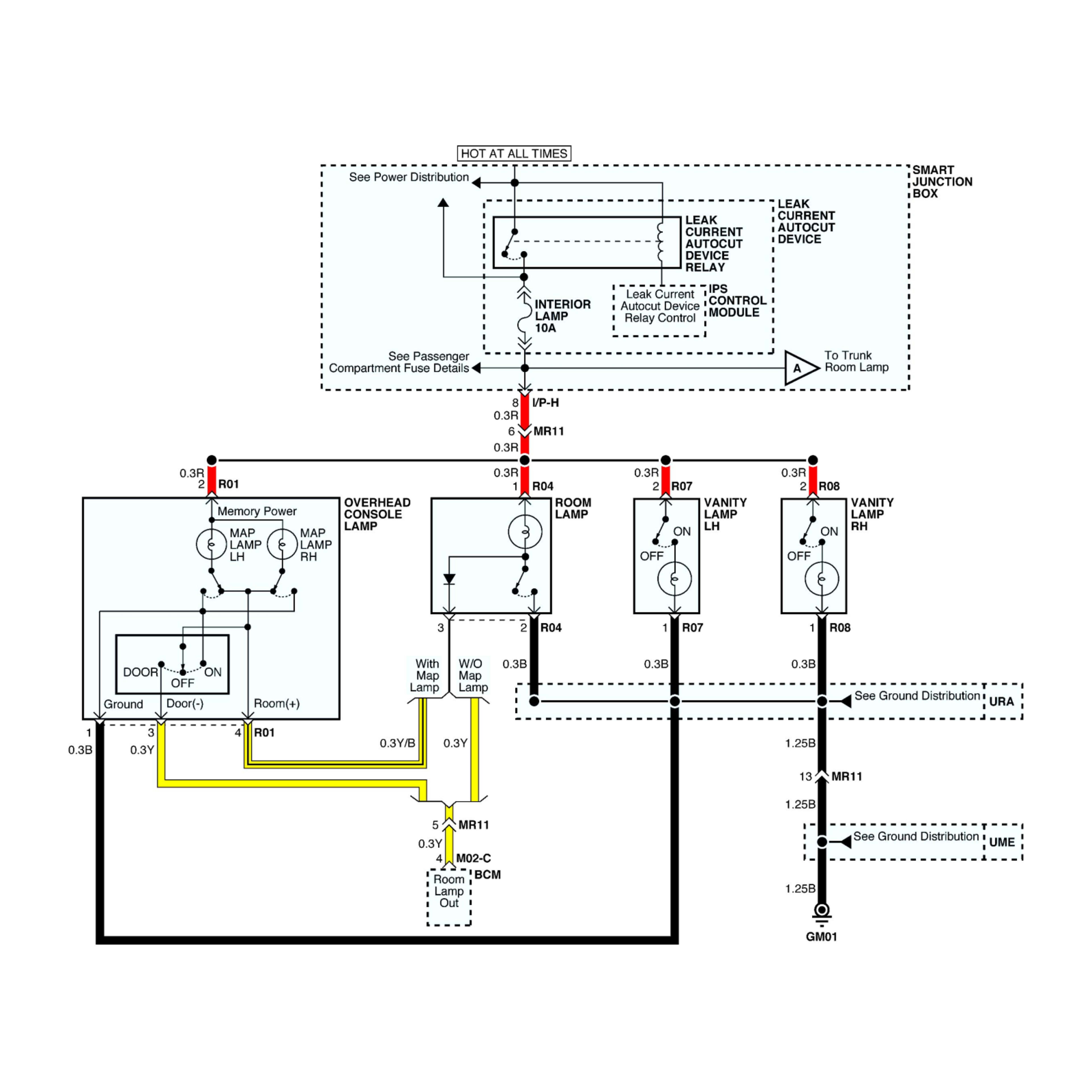
The 2025 Honda Odyssey service and repair manual from Repair Surge is the ultimate reference guide. It provides accurate, reliable information based on the original service materials from the manufacturer. You'll get procedures, specifications, part numbers, illustrations, wiring diagrams, and more. Whether you're an industry professional or a DIY mechanic, it's the perfect addition to any toolbox.

Covers the following trim packages for the 2025 Odyssey:

  • Elite, 3.5L V6 (J35Y7) Gas

  • EX-L, 3.5L V6 (J35Y7) Gas

  • Sport-L, 3.5L V6 (J35Y7) Gas

  • Touring, 3.5L V6 (J35Y7) Gas

Everything you need for a successful repair

Service and Repair Procedures icon

Service and Repair Procedures

Specifications icon

Specifications

Parts Numbers and Illustrations icon

Parts Numbers and Illustrations

Component Locations icon

Component Locations

Fluids and Lubricants icon

Fluids and Lubricants

Wiring Diagrams icon

Wiring Diagrams

Technical Service Bulletins icon

Technical Service Bulletins

Vehicle and Equipment Recalls icon

Vehicle and Equipment Recalls

Maintenance Schedules icon

Maintenance Schedules

Diagnostics and Troubleshooting icon

Diagnostics and Troubleshooting

Safety Precautions icon

Safety Precautions

Fast, Friendly Support icon

Fast, Friendly Support

Other Honda Odyssey Years

2024 Honda Odyssey Manual