2025 Chevrolet Silverado 1500 Service and Repair Manual
Highlights
Online service and repair manual for the 2025 Chevrolet Silverado 1500
Information based on factory service and repair materials
Access from anywhere using your PC or mobile device
100% money-back satisfaction guarantee
The convenient, cloud-based 2025 Chevrolet Silverado 1500 service and repair manual
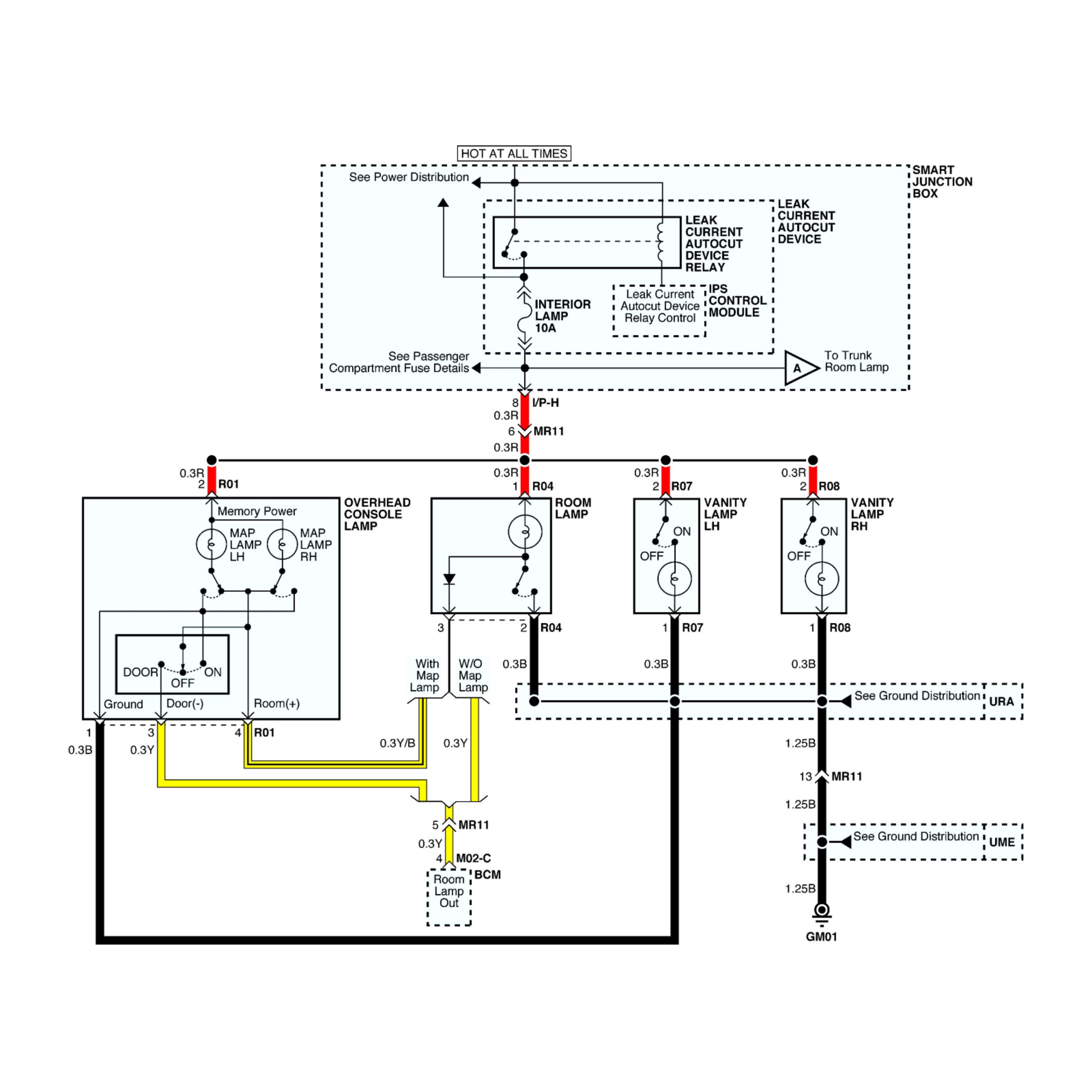
The 2025 Chevrolet Silverado 1500 service and repair manual from Repair Surge is the ultimate reference guide. It provides accurate, reliable information based on the original service materials from the manufacturer. You'll get procedures, specifications, part numbers, illustrations, wiring diagrams, and more. Whether you're an industry professional or a DIY mechanic, it's the perfect addition to any toolbox.
Covers the following trim packages for the 2025 Silverado 1500:
Custom Trail Boss, 2.7L L4 (VIN K, L3B) Turbocharged Gas
Custom Trail Boss, 3.0L L6 (VIN 8, LZ0) Turbocharged Diesel
Custom Trail Boss, 5.3L V8 (VIN D, L84) Gas
Custom, 2.7L L4 (VIN K, L3B) Turbocharged Gas
High Country, 3.0L L6 (VIN 8, LZ0) Turbocharged Diesel
High Country, 5.3L V8 (VIN D, L84) Gas
High Country, 6.2L V8 (VIN L, L87) Gas
LT Trail Boss, 2.7L L4 (VIN K, L3B) Turbocharged Gas
LT Trail Boss, 3.0L L6 (VIN 8, LZ0) Turbocharged Diesel
LT Trail Boss, 5.3L V8 (VIN D, L84) Gas
LT Trail Boss, 6.2L V8 (VIN L, L87) Gas
LT, 2.7L L4 (VIN K, L3B) Turbocharged Gas
LT, 3.0L L6 (VIN 8, LZ0) Turbocharged Diesel
LT, 5.3L V8 (VIN D, L84) Gas
LTZ, 3.0L L6 (VIN 8, LZ0) Turbocharged Diesel
LTZ, 5.3L V8 (VIN D, L84) Gas
LTZ, 6.2L V8 (VIN L, L87) Gas
PPV, 5.3L V8 (VIN D, L84) Gas
RST, 2.7L L4 (VIN K, L3B) Turbocharged Gas
RST, 3.0L L6 (VIN 8, LZ0) Turbocharged Diesel
RST, 5.3L V8 (VIN D, L84) Gas
RST, 6.2L V8 (VIN L, L87) Gas
WT, 2.7L L4 (VIN K, L3B) Turbocharged Gas
WT, 5.3L V8 (VIN D, L84) Flex Fuel
WT, 5.3L V8 (VIN D, L84) Gas
ZR2, 3.0L L6 (VIN 8, LZ0) Turbocharged Diesel
ZR2, 6.2L V8 (VIN L, L87) Gas
Everything you need for a successful repair
Service and Repair Procedures
Specifications
Parts Numbers and Illustrations
Component Locations
Fluids and Lubricants
Wiring Diagrams
Technical Service Bulletins
Vehicle and Equipment Recalls
Maintenance Schedules
Diagnostics and Troubleshooting
Safety Precautions
Fast, Friendly Support

